概述
用于避雷器是保證電力系統安全運行的重要設備之一。避雷器動作計數器起著監測避雷器泄漏電流和記載雷擊次數作用。避雷器泄漏電流的大小直接反映避雷器性能的好壞,試驗人員一般都將泄漏電流值當作避雷器是否正常工作的重要依據;另外,每當雷雨季節來臨之前,工作人員都要測試計數器能否可靠動作。 華勝FS3012避雷器計數器測試儀正是滿足現場這種需要的實用儀器,檢測避雷器計數器動作與否的專用測試儀器。
FS3012避雷器計數器測試儀工作原理
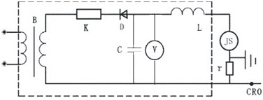
儀器原理示意圖如下圖所示。儀器內部沖擊電流發生器產生8/20μs、100A的沖擊電流波作用于動作計數器。
?

FS3012原理示意圖(虛線框內)
C:充電電容 R:充電電阻 L:阻尼電感 D:整流硅二極管
r:分流器 B:試驗變壓器 V:靜電電壓表 CRO:高壓示波器
FS3012避雷器計數器測試儀技術參數
☆ 輸入電壓:220±10%,50±0.5Hz
☆ 輸出電流:8/20μs、100A的沖擊電流
☆ 輸出電壓:0~1200V
☆ 儀器重量:5kg
儀器別稱
避雷器放電計數器測試儀,避雷器動作計數器測試儀。
|
序 號 |
標 準 號 |
標 準 名 稱 |
|
1 |
GB/T 191 |
包裝儲運圖示標志 |
|
2 |
GB 4793.1 |
測量、控制和實驗室用電氣設備的安全要求? 第1部分:通用要求 |
|
3 |
GB 6587.1 |
電子測量儀器? 環境試驗總綱 |
|
4 |
GB 6587.3 |
電子測量儀器? 濕度試驗 |
|
5 |
GB 6587.5 |
電子測量儀器? 沖擊試驗 |
|
6 |
GB 6587.6 |
電子測量儀器? 運輸試驗 |
|
7 |
GB 6587.8 |
電子測量儀器? 電源頻率與電壓試驗 |
|
8 |
GB/T 6592 |
電工和電子測量設備性能表示 |
|
9 |
GB/T 6593 |
電子測量儀器質量檢驗規則 |
|
10 |
JB/T 10492-2011 |
金屬氧化物避雷器用監測裝置 |



?
?
1、外觀和結構
? ? ? 1. 本產品的外形尺寸及零部件尺寸符合設計圖紙要求。
? ? ? 2. 本產品整機表面清潔無凹痕﹑劃傷﹑變形。零部件整體和元器件裝配位置要牢固,不應有虛焊﹑折裂和機械損傷。
? ? ? 3. 本產品面板字跡應清晰,各操作鍵接觸良好,轉換復位正常。
? ? ? 4. 產品標志:測試儀上印有銘牌,銘牌上印有下列標志:
? ? ? 1)? 廠名,廠址;
? ? ? 2)? 產品的名稱,型號;
? ?? ?3)? 制造日期;
? ? ? 4)? 出廠編號。
2、驗收及技術培訓
? ? ? 1. 貨物送用戶單位,由供貨商(廠家)與購貨方雙方到場進行開箱驗收,主要進行外觀和貨物數量檢查;
? ? ? 2. 交貨后我方須派技術人員指導用戶進行1次現場實測,以驗證儀器性能。
? ? ? 3. 我方負責對買方進行現場培訓,并提供相應的培訓資料。
3、技術服務
? ? ? 1.?設備質保期:3年。
? ? ? 2.?設備3年免費檢定或校準。
? ? ? 3.?設備終身維修。
? ? ? 4.?系統軟件終身免費升級。
? ? ? 5.?我方對售后服務的需求必須在24小時答復,在48小時內提供技術服務。
? ? ? 6.?我方長期為買方提供備件采購和供應服務。

?


400
6213
產品說明書
產品圖集
產品視頻
400
6213